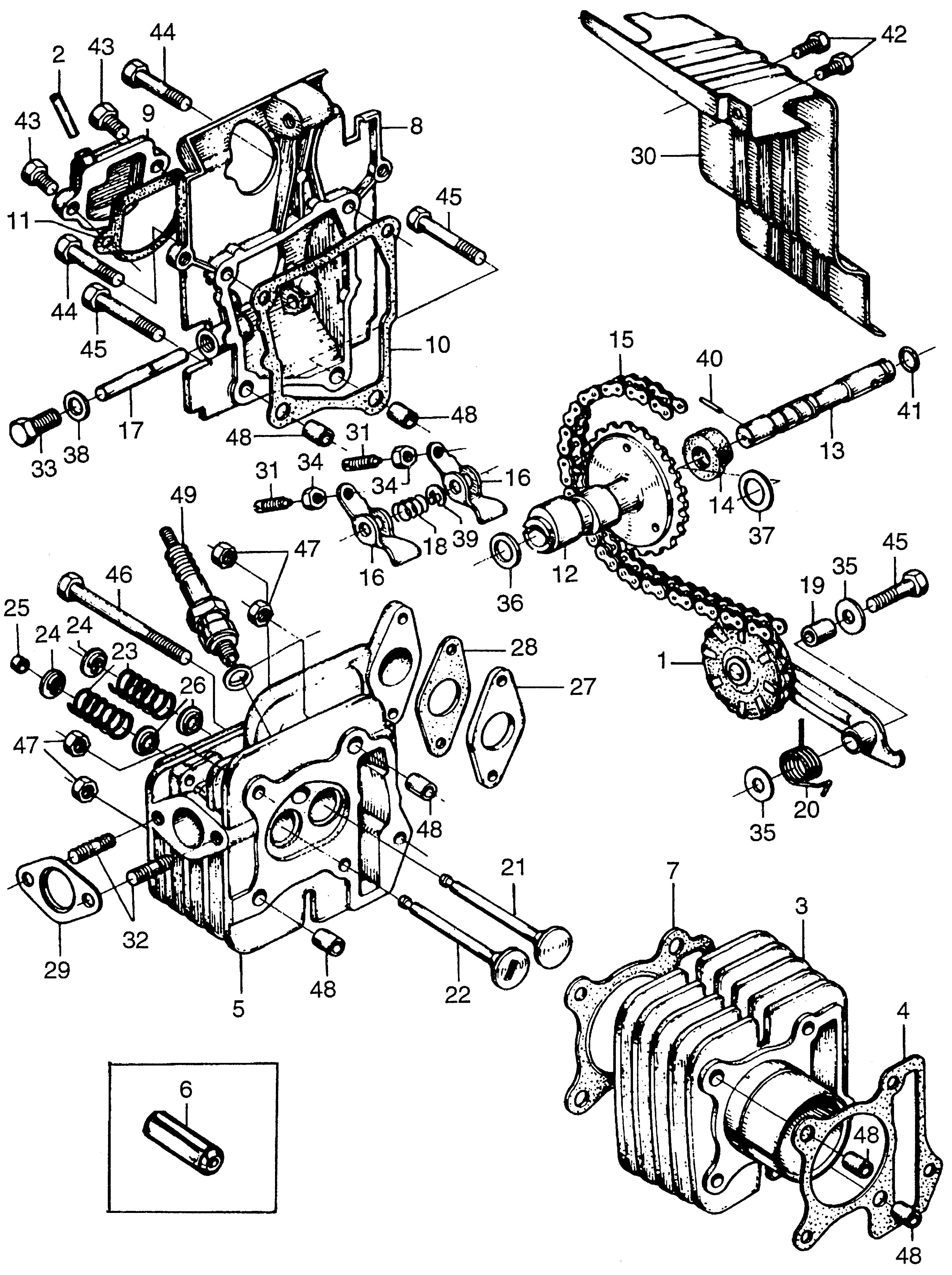
Generators E E900 E900 A E900-1006474-1028750 CYLINDER@CYLINDER HEAD @CAMSHAFT - Honda of Riverhead

Ref No
Part Number
Description
Serial Range
Qty
Price

Ref No
1
Part Number
11120-044-330
Description
TENSIONER, CAM CHAIN (NOT AVAILABLE)
Serial Range
1000001 - 9999999

Ref No
2
Part Number
11204-816-010
Description
JOINT, BREATHER (NOT AVAILABLE)
Serial Range
1000001 - 9999999

Ref No
3
Part Number
12101-844-000
Description
CYLINDER (NOT AVAILABLE)
Serial Range
1000001 - 9999999

Ref No
4
Part Number
12191-844-000
Description
GASKET, CYLINDER (NOT AVAILABLE)
Serial Range
1000001 - 9999999

Ref No
5
Part Number
12200-844-000
Description
CYLINDER HEAD
Serial Range
1000001 - 9999999

Ref No
6
Part Number
12236-816-305
Description
GUIDE, VALVE (NOT AVAILABLE)
Serial Range
1000001 - 9999999

Ref No
7
Part Number
12251-844-000
Description
GASKET, CYLINDER HEAD (NOT AVAILABLE)
Serial Range
1000001 - 9999999

Ref No
8
Part Number
12301-844-000
Description
COVER, CYLINDER HEAD (NOT AVAILABLE)
Serial Range
1000001 - 9999999

Ref No
9
Part Number
12360-844-000
Description
CAP, TAPPET (NOT AVAILABLE)
Serial Range
1000001 - 9999999

Ref No
10
Part Number
12391-816-010
Description
GASKET, CYLINDER COVER (NOT AVAILABLE)
Serial Range
1000001 - 9999999

Ref No
11
Part Number
12401-816-000
Description
GASKET, CAP (NOT AVAILABLE)
Serial Range
1000001 - 9999999

Ref No
12
Part Number
14101-816-040
Description
CAMSHAFT
Serial Range
1000001 - 9999999
Qty
Price
$154.74

Ref No
13
Part Number
14120-844-000
Description
PIN, CAMSHAFT CENTER (NOT AVAILABLE)
Serial Range
1000001 - 9999999

Ref No
14
Part Number
14150-844-000
Description
COLLAR, CAMSHAFT (NOT AVAILABLE)
Serial Range
1000001 - 9999999

Ref No
15
Part Number
14401-816-010
Description
CHAIN, CAM (NOT AVAILABLE)
Serial Range
1000001 - 9999999
Qty
Price
$57.38

Ref No
16
Part Number
14431-844-000
Description
ARM, VALVE ROCKER
Serial Range
1000001 - 9999999
Qty
Price
$28.56

Ref No
17
Part Number
14451-044-000
Description
SHAFT, VALVE ROCKER ARM (NOT AVAILABLE)
Serial Range
1000001 - 9999999

Ref No
18
Part Number
14481-044-000
Description
SPRING, ROCKER ARM SIDE (NOT AVAILABLE)
Serial Range
1000001 - 9999999

Ref No
19
Part Number
14531-816-000
Description
COLLAR, TENSIONER
Serial Range
1000001 - 9999999

Ref No
20
Part Number
14541-816-000
Description
SPRING, CAM CHAIN TENSIONER (NOT AVAILABLE)
Serial Range
1000001 - 9999999

Ref No
21
Part Number
14711-816-030
Description
VALVE, IN.
Serial Range
1000001 - 9999999
Qty
Price
$22.40

Ref No
22
Part Number
14721-844-000
Description
VALVE, EX. (NOT AVAILABLE)
Serial Range
1000001 - 9999999

Ref No
23
Part Number
14751-044-010
Description
SPRING, VALVE (NOT AVAILABLE)
Serial Range
1000001 - 9999999

Ref No
24
Part Number
14772-044-010
Description
RETAINER, VALVE SPRING (NOT AVAILABLE)
Serial Range
1000001 - 9999999

Ref No
25
Part Number
14777-044-020
Description
ADJUSTER, TAPPET CLEARANCE (NOT AVAILABLE)
Serial Range
1000001 - 9999999

Ref No
26
Part Number
14781-044-000
Description
SEAT, VALVE SPRING (LOWER) (NOT AVAILABLE)
Serial Range
1000001 - 9999999

Ref No
27
Part Number
16211-844-000
Description
INSULATOR, CARBURETOR (NOT AVAILABLE)
Serial Range
1000001 - 9999999

Ref No
28
Part Number
16229-844-000
Description
GASKET, CARBURETOR INSULATOR (NOT AVAILABLE)
Serial Range
1000001 - 9999999

Ref No
29
Part Number
18232-816-020
Description
GASKET, EX. PIPE (NOT AVAILABLE)
Serial Range
1000001 - 9999999

Ref No
30
Part Number
19610-844-000
Description
VANE, GUIDE
Serial Range
1000001 - 9999999

Ref No
31
Part Number
90012-044-000
Description
SCREW, TAPPET ADJ. (NOT AVAILABLE)
Serial Range
1000001 - 9999999

Ref No
32
Part Number
90032-816-000
Description
BOLT STUD (6X23) (NOT AVAILABLE)
Serial Range
1000001 - 9999999

Ref No
33
Part Number
90081-044-000
Description
BOLT, SEALING (8MM) (NOT AVAILABLE)
Serial Range
1000001 - 9999999

Ref No
34
Part Number
90206-001-000
Description
NUT, TAPPET ADJUSTING
Serial Range
1000001 - 9999999

Ref No
35
Part Number
90417-001-000
Description
WASHER, SHIFT DRUM SIDE (NOT AVAILABLE)
Serial Range
1000001 - 9999999

Ref No
36
Part Number
90457-044-010
Description
WASHER A (10MM) (NOT AVAILABLE)
Serial Range
1000001 - 9999999

Ref No
37
Part Number
90458-044-000
Description
WASHER B (10MM) (NOT AVAILABLE)
Serial Range
1000001 - 9999999

Ref No
38
Part Number
90405-001-000
Description
GASKET, OIL PIPE JOINT
Serial Range
1000001 - 9999999
Qty
Price
$2.42

Ref No
39
Part Number
90454-GB2-000
Description
CIRCLIP (6MM)
Serial Range
1000001 - 9999999
Qty
Price
$2.18

Ref No
39
Part Number
90603-044-000
Description
CIRCLIP (6MM)
Serial Range
1000001 - 9999999

Ref No
40
Part Number
90742-044-000
Description
PIN, KNOCK (3X12) (NOT AVAILABLE)
Serial Range
1000001 - 9999999

Ref No
41
Part Number
91302-044-013
Description
O-RING (6.9X1.5) (NOT AVAILABLE)
Serial Range
1000001 - 9999999

Ref No
42
Part Number
92101-05008-0A
Description
BOLT, HEX. (5X8)
Serial Range
1000001 - 9999999
Qty
Price
$1.04

Ref No
43
Part Number
92101-06016-0A
Description
BOLT, HEX. (6X16)
Serial Range
1000001 - 9999999
Qty
Price
$1.78

Ref No
44
Part Number
92101-06025-0A
Description
BOLT, HEX. (6X25)
Serial Range
1000001 - 9999999
Qty
Price
$1.98

Ref No
45
Part Number
92201-06035-0A
Description
BOLT, HEX. (6X35)
Serial Range
1000001 - 9999999
Qty
Price
$2.24

Ref No
46
Part Number
92000-06071
Description
BOLT, HEX. (6X71) (NOT AVAILABLE)
Serial Range
1000001 - 9999999

Ref No
47
Part Number
94001-06000-0S
Description
NUT, HEX. (6MM)
Serial Range
1000001 - 9999999

Ref No
47
Part Number
94001-06200-0S
Description
NUT, HEX. (6MM)
Serial Range
1000001 - 9999999
Qty
Price
$1.60

Ref No
48
Part Number
94301-08140
Description
PIN, DOWEL (8X14)
Serial Range
1000001 - 9999999
Qty
Price
$2.74

Ref No
49
Part Number
98056-56713
Description
SPARK PLUG (C6HSA) (NGK)
Serial Range
1000001 - 9999999