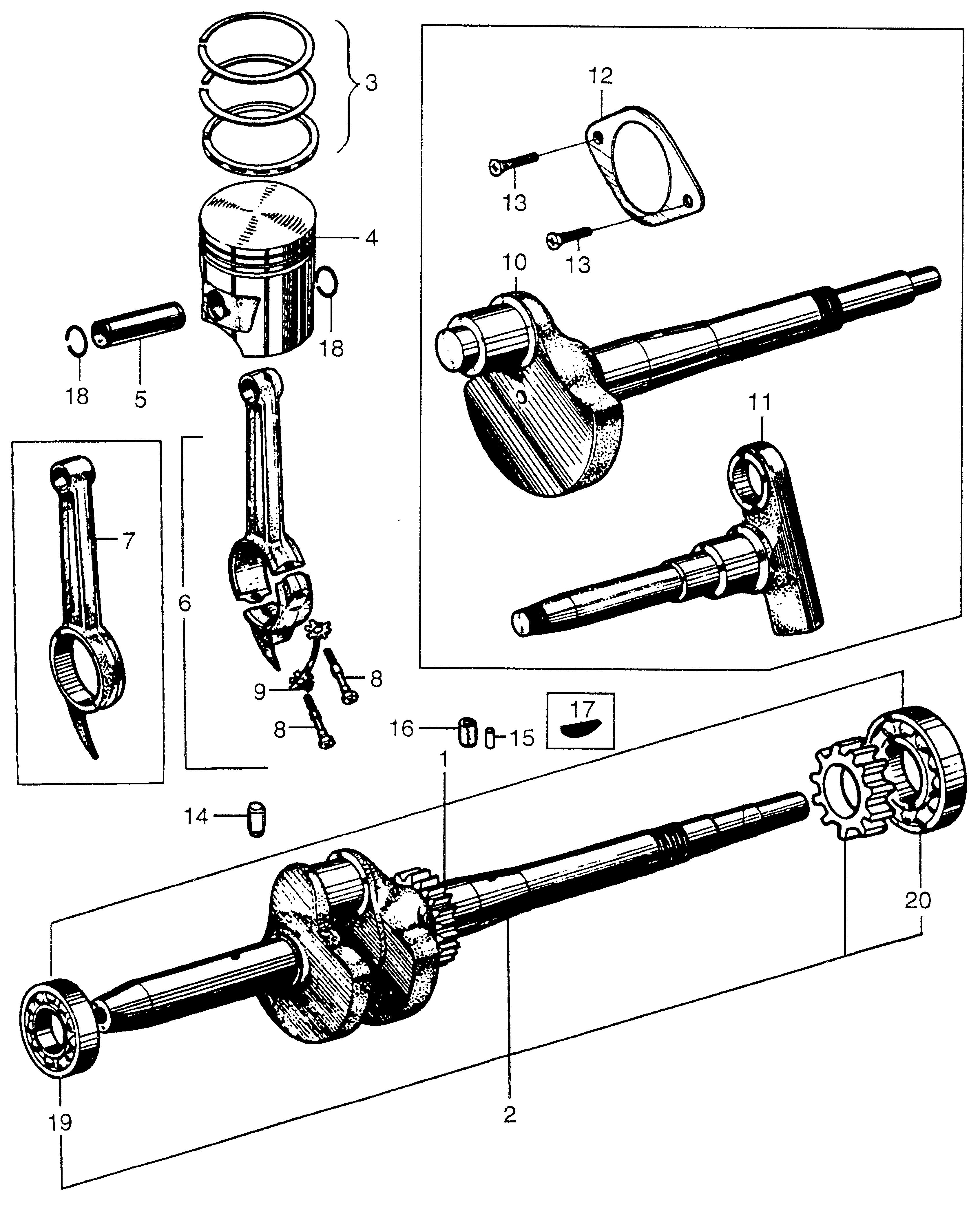
Generators E E300 E300 A GE300-100001-1106000 CRANKSHAFT@PISTON@RINGS - Honda of Riverhead

Ref No
Part Number
Description
Serial Range
Qty
Price

Ref No
1
Part Number
13000-812-000
Description
CRANKSHAFT ASSY.
Serial Range
1058041 - 9999999

Ref No
3
Part Number
13010-002-000
Description
RING SET, PISTON (STD) (NOT AVAILABLE)
Serial Range
1000001 - 9999999

Ref No
3
Part Number
13021-002-000
Description
RING SET, PISTON (OVER SIZE) (0.25) (NOT AVAILABLE)
Serial Range
1000001 - 9999999
Qty
Price
$55.60

Ref No
3
Part Number
13031-002-000
Description
RING SET, PISTON (OVER SIZE) (0.50) (NOT AVAILABLE)
Serial Range
1000001 - 9999999

Ref No
3
Part Number
13041-002-000
Description
RING SET, PISTON (OVER SIZE) (0.75) (NOT AVAILABLE)
Serial Range
1000001 - 9999999

Ref No
4
Part Number
13101-812-000
Description
PISTON (STD) (NOT AVAILABLE)
Serial Range
1000001 - 9999999
Qty
Price
$32.82

Ref No
4
Part Number
13102-812-000
Description
PISTON (OVER SIZE) (0.25)
Serial Range
1000001 - 9999999

Ref No
4
Part Number
13103-812-000
Description
PISTON (OVER SIZE) (0.50) (NOT AVAILABLE)
Serial Range
1000001 - 9999999

Ref No
4
Part Number
13104-812-000
Description
PISTON (OVER SIZE) (0.75) (NOT AVAILABLE)
Serial Range
1000001 - 9999999

Ref No
5
Part Number
13111-812-000
Description
PIN, PISTON (NOT AVAILABLE)
Serial Range
1000001 - 9999999

Ref No
6
Part Number
13200-812-000
Description
ROD, CONNECTING
Serial Range
1058041 - 9999999

Ref No
7
Part Number
13201-812-000
Description
ROD, CONNECTING (NOT AVAILABLE)
Serial Range
1000001 - 1058040

Ref No
8
Part Number
13203-812-000
Description
BOLT, CONNECTING ROD (NOT AVAILABLE)
Serial Range
1058041 - 9999999

Ref No
9
Part Number
13204-812-000
Description
PLATE, LOCK (NOT AVAILABLE)
Serial Range
1058041 - 9999999

Ref No
10
Part Number
13320-812-020
Description
CRANKSHAFT, L.
Serial Range
1000001 - 1007891

Ref No
10
Part Number
13320-812-030
Description
CRANKSHAFT, L.
Serial Range
1007892 - 1058040

Ref No
11
Part Number
13321-812-010
Description
CRANKSHAFT, R.
Serial Range
1000001 - 1024398

Ref No
11
Part Number
13321-812-333
Description
CRANKSHAFT, R.
Serial Range
1024399 - 1058040

Ref No
12
Part Number
13323-812-000
Description
COVER, BEARING
Serial Range
1000001 - 1058040

Ref No
13
Part Number
93600-05012
Description
SCREW, FLAT (5X12) (NOT AVAILABLE)
Serial Range
1000001 - 1058040

Ref No
17
Part Number
94401-25180
Description
KEY, WOODRUFF (25X18)
Serial Range
1000001 - 1106000
Qty
Price
$1.68

Ref No
18
Part Number
94601-13000
Description
CLIP, PISTON PIN (13MM)
Serial Range
1000001 - 9999999

Ref No
19
Part Number
96100-60020-00
Description
BEARING, RADIAL BALL (6002)
Serial Range
1000001 - 9999999
Qty
Price
$14.40

Ref No
20
Part Number
96100-62040-00
Description
BEARING, RADIAL BALL (6204)
Serial Range
1000001 - 9999999
Qty
Price
$15.82